酸化亜鉛単結晶(ZnO)製品 ブロック・基板
両面研磨品在庫あり!〔10x10x0.5t mm(C-面、A-面、M-面), 15x15x0.5t mm(C-面)〕
Method 材質および成長法
材質 : 高純度単結晶 ZnO
成長法 : 水熱合成法(ZnO)

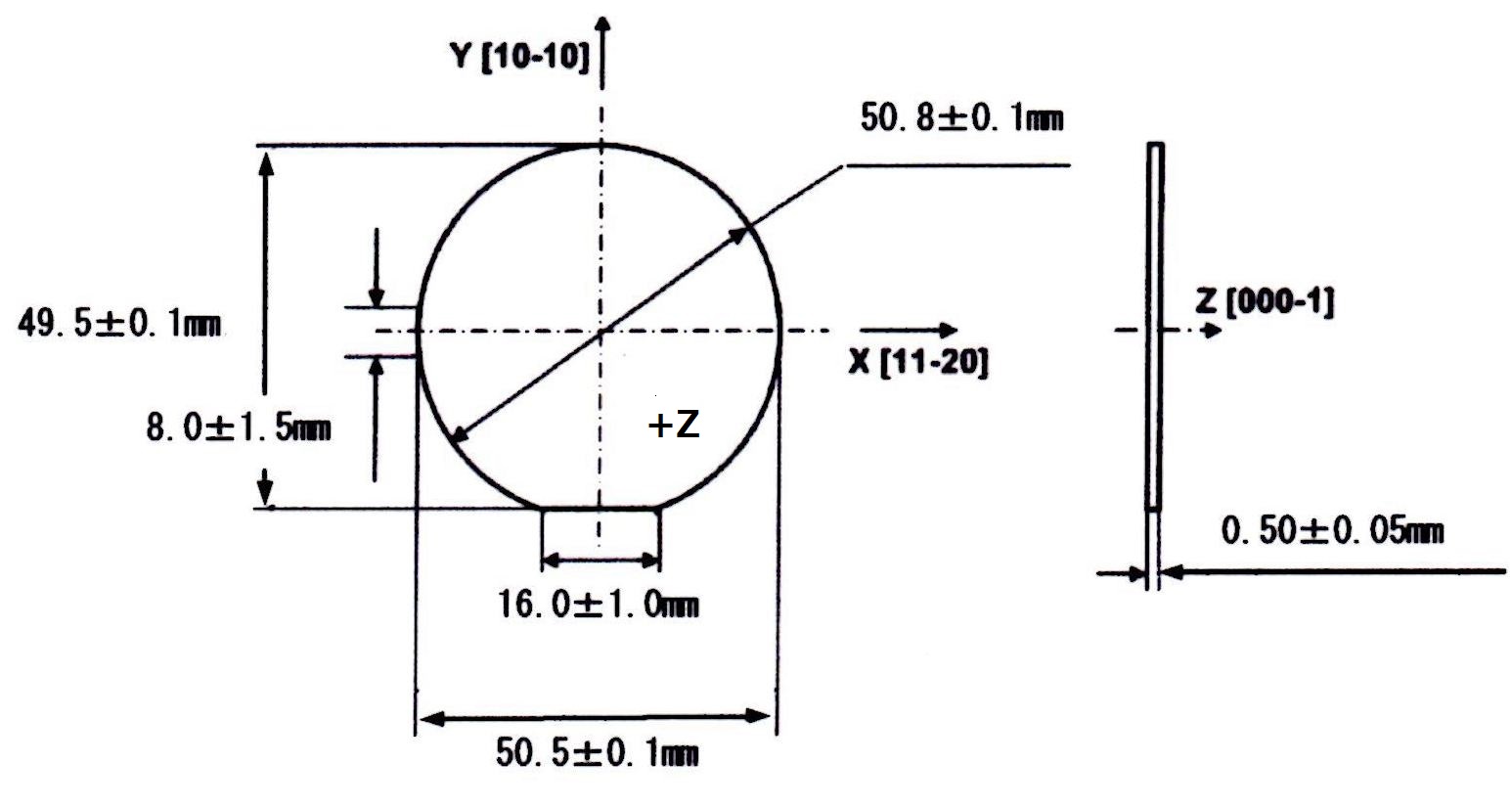
Accuracy 酸化亜鉛単結晶基板の寸法とオリフラ精度
①角型基板

10x10mmの場合、次表の通り。
| A | B | T | Cx45° | Px45° |
| 10 | 10 | 0.5 | 2.8-0.8 | 1.5-0.8 |
単位:mm
②2インチ基板

Orientation 面方位
c面(0001)±0.25°: Zn(0001), O(000-1)
a面(11-20)±0.25°
m面(1-100)±0.25°
Quality 結晶品質
高純度単結晶 ZnO 99.99%
Surface Accuracy 面加工精度
c面 O面 : エピ研磨、Zn面: 鏡面研磨
a面 両面鏡面研磨
m面 両面鏡面研磨
TTV: ≦1nm
Standard Sizes 酸化亜鉛単結晶基板標準サイズ
10x10x0.5t mm
15x15x0.5t mm
φ50.8 x0.5t mm ← 新規取扱!!
Analysis Results 単結晶ZnO99.99%分析結果(参考)
単結晶ZnO分析値(ICP-OES)
| ZnO | 不純物含有量(ppm) | |||||||
|---|---|---|---|---|---|---|---|---|
| Ca | Mg | Fe | Ni | Cu | Mn | Cr | Co | |
| 99.99% | 1.83 | 4.69 | 0.61 | 0.92 | 0.007 | 0.15 | <0.01 | <0.02 |
| Ag | Ti | Al | Li | Mo | V | Na | K | |
| <0.02 | 0.049 | 0.67 | 1.1 | <0.02 | <0.01 | 6.53 | 6.19 | |
GaNとの格子ミスマッチ:1.9%
a ZnO=3.295A c ZnO=5.2059A
a GaN=3.1888A c GaN=5.186A
a ZnO=3.295A c ZnO=5.2059A
a GaN=3.1888A c GaN=5.186A

単結晶ZnO物性表
| 物質名 | 酸化亜鉛 |
|---|---|
| 化学組成 | ZnO |
| 純度 | 99.99% |
| 結晶構造 | 六方晶系ウルツ構造 |
| 育成方法 | 水熱合成法 |
| 結晶成長方向 | 0001 |
| 融点 | 1975℃ |
| 密度 | 5.66 g/cm3 |
| モース硬度 | 4 |
| バンドキャップエネルギー | 3.37eV |
| 抵抗率 | 1,000~10,000Ωcm |
| 圧電定数(x1012q/N) | d=-13.9k33=0.408 d=-5.2k31=0.189 d= 10.6k15=0.282 |
| 比誘電率 | 8.5 |
| 熱膨張係数 | 2.9 x 10-6 K- |
| 熱伝導率 | 2.5W/m/K |
| 透過率 | 400nm~600nmで>50% |
| 屈折率 | no=2.0681 ne=2.0510 |
